了解最新公司动态及行业资讯

新闻中心

直动式 比例伺服阀

时间:2021-10-05

三位四通+安全位

带位置反馈

集成式放大器或导轨式放大器

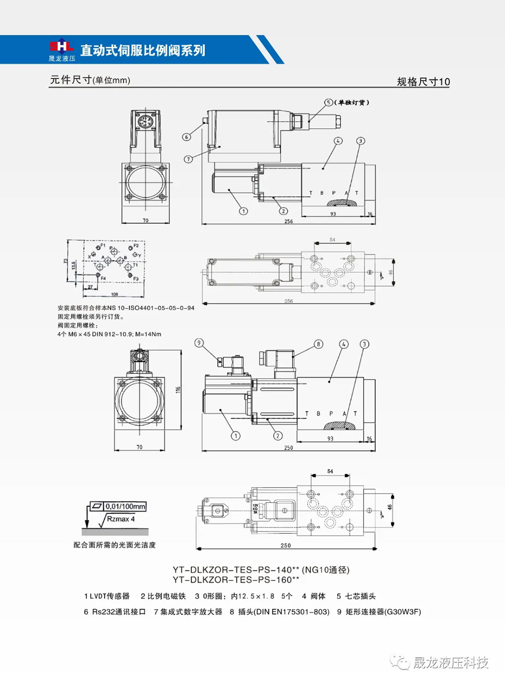
规格YT-DLHZO-TE……6通径

      YT-DLKZOR-TE…10通径

最大工作压力315bar

最大流量65、110L/min

1.jpg

2.jpg

3.jpg

4.jpg

5.jpg

6.jpg

7.jpg